- 產品列表更多
- 聯系我們更多
-
煙臺超群石化機械有限公司
電??????話:0535-6207725
圖文 ?傳真:0535-6349179
郵??????箱:[email protected]
銷售部手機:15864087878(李經理)
18954554963(黃靜)
18954557113(季潔)
13688662616(徐娜)
技術咨詢:15864087878(李經理)
Q Q:3292262386
售后查件電話:18863880818(周杰)

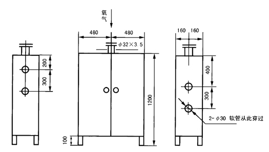
我公司生產點閥箱,有氧氣點閥箱和煤氣點閥箱等,根據使用壓力的不同分為OX-A1~4型和OX-B1~4型,具體技術參數如下:
OX-A1~4型氧氣用點閥箱
一、用 途
本產品適用于金屬氣焊、氣割、火焰表面清理和熱加工的氧氣管路用戶點,也能同氧氣匯流排配套使用于上述各種用戶點。
二、結構特點
本產品外部保護箱采用天藍色烤漆防銹,閥箱接點可供1-4把焊炬或割炬分別使用,也可供同時使用。由于每個接點都分別配有減壓器避免了同時使用時壓力、流量的波動,內部管路均采用不銹鋼(1Cr18Ni9Ti)制作。閥箱門接有箱體專用鎖,便于集中管理,可避免因誤操作造成的能源浪費和泄漏引起的不安全因素。
三、產品技術參數
項 目 | OX/A-1型 | OX/A-2型 | OX/A-3型 | OX/A-4型 |
正常使用壓力MPa | 0.1-1.6 | 0.1-1.6 | 0.1-1.6 | 0.1-1.6 |
流量Nm3/H | 15-60 | 30-120 | 45-180 | 60-240 |
外形尺寸mm | 1200×960×320 | 1200×960×320 | 1200×960×320 | 1200×960×20 |
接頭規格 | DN10×1 | DN10×2 | DN10×3 | DN10×4 |
接管法蘭規格 | JB82-59 JB81-59 | JB82-59 JB81-59 | JB82-59 JB81-59 | JB82-59 JB81-59 |
PN4.0或PN2.5 DN25 | PN4.0或PN2.5 DN25 | PN4.0或PN2.5 DN25 | PN4.0或PN2.5 DN25 |
四、OX-A1~4型氧氣接點閥箱安裝示意圖

五、選用說明
當進氣壓力P≤2.5MPa時,入口配JB81-59平焊鋼法蘭。
當進氣壓力2.5<p≤4.0MPa時,入口配JB82-59對焊鋼法蘭。
請用戶訂貨時注明。
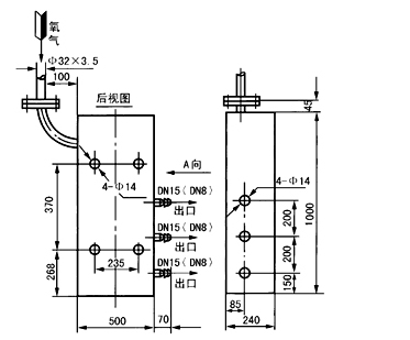
OX-B1~4型氧氣用點閥箱
一、用 途
本產品適用于金屬氣焊、氣割、火焰表面清理和熱加工的氧氣管路用戶點,也能同氧氣鋼瓶組配套使用于上述各種用戶點。
二、結構特點
本產品外部保護箱采用天藍色烤漆防銹,閥箱接點可供1-3五人分別使用,也可供同時使用。儀表可通過閥箱面板窺視孔直接觀察,內部所有管路均采用不銹鋼(1Cr18Ni9Ti)制作;閥箱門接有箱體專用鎖,便于集中管理,可避免因誤操作造成的能源浪費和泄漏引起的不安全因素。
三、產品技術參數
氧氣用點閥箱技術參數
型 號 | OX/B-1型 | OX/B-2型 | OX/B-3型 |
正常使用壓力MPa | 0.8-1.6 | 0.8-1.6 | 0.8-1.6 |
流量Nm3/H | 15-30 | 30-45 | 45-100 |
外形尺寸mm | 1000×500×240 | 1000×500×240 | 1000×500×240 |
接頭規格 | 見附圖 | 見附圖 | 見附圖 |

四、注意事項
本產品在安裝過程中請注意進出氣口不可接反,發現堵塞應清洗,使用一年后應進行全面檢修